Home
Offer
References
About us
Contact
Croatian
German
English
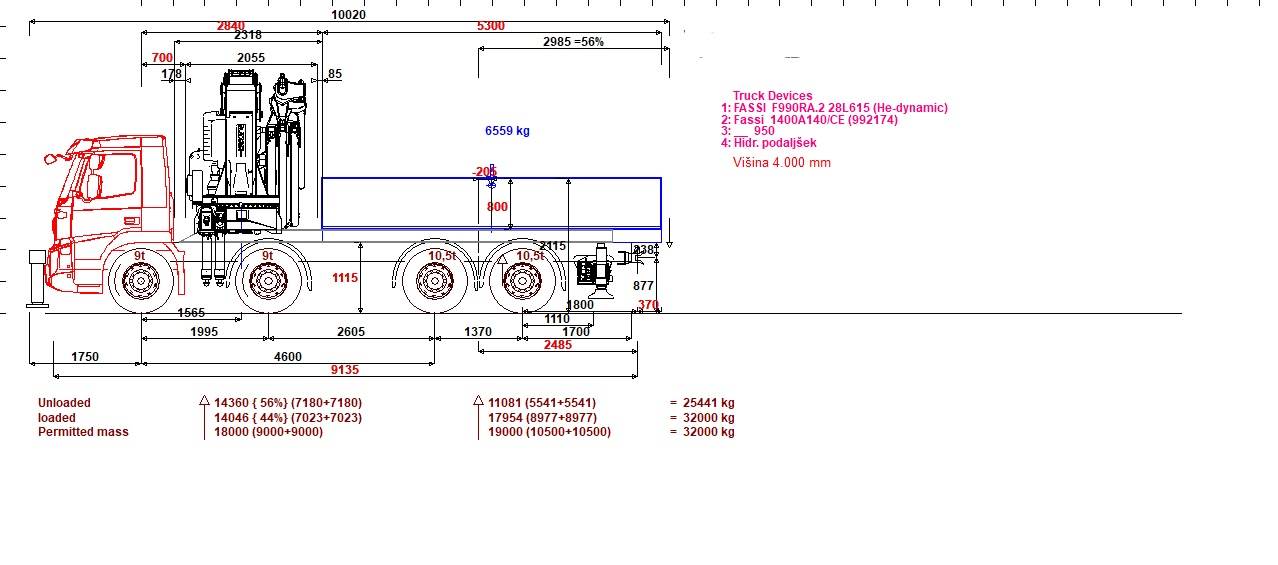
Fassi F990
Fassi F990
Basic Info
Production year
2025
Send inquiry
Privacy Policy
Imprint
Contact
Copyright © 2026 Vidović Hidraulika d.o.o
Crafted with ❤️ by